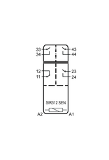
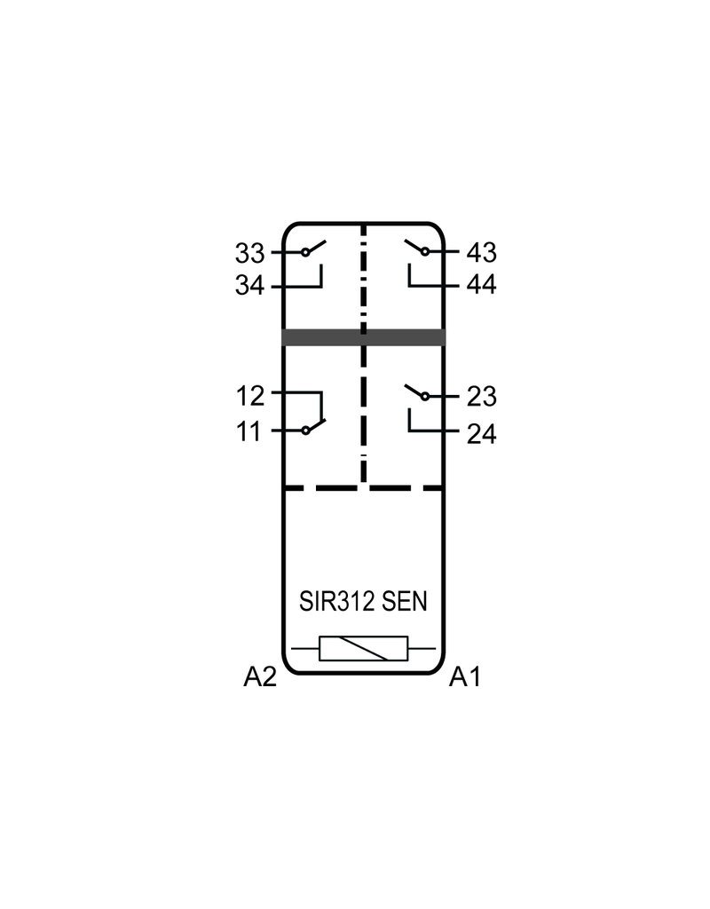
SIR4 Baureihe - SIR312 SEN

  • Relais mit zwangsgeführten Kontakten gemäss IEC 61810-3
  • Anwendungstyp A
  • Sichere Trennung (siehe Isolationsdaten)
  • Geeignet für Printmontage
  • Geringe Nenn- und Halteleistung
  • Kontaktbestückung
    • SIR312 SEN: 3 NO + 1 NC

Schaltstrom: 10mA - 10A
Spulennennleistung: 360mW
Prüfspannung (eff): 5000V

Datenblatt herunterladen

Folgende Produktvarianten sind erhältlich:

  • Spulenspannung: 12 VDC Artikelnummer: H301861
  • Spulenspannung: 24 VDC Artikelnummer: H302290

Weitere Relaisspulenvarianten auf Anfrage.

Maximal eine VPE erhältlich, enthält 15 Stück.

Anzahl Schliesserkontakte: 3
Anzahl Öffnerkontakte: 1
Kontaktmaterial: AgSnO2
Kontaktart (Ausgangskontakte): Kronenkontakte
Spulennennleistung: 0,36 W
Schaltstrombereich: 10 mA bis 10 A
Prüfspannung offener Kontakt (effektiv): 1500 V
Prüfspannung zwischen den Kontakten (effektiv): 2500 V, 5000 V, 4000 V **
Prüfspannung Spule/Kontakt (effektiv): 2500 V
Länge in mm: 46,4
Breite in mm: 16
Höhe in mm: 30,7
Schutzart: RT II
Zulassungen: UL, cUL, TÜV
Optionen, Zubehör: Printfassung SRP-SIR4
Anwendungsgebiete: Verfahrenstechnik, Aufzüge, Werkzeugmaschinen, Fahrzeugbau
** zwischen Steuerkontakten, zwischen Steuer- und Ausgangskontakten, zwischen Ausgangskontakten
Datenblatt herunterladen
0 Sterne, basierend auf 0 Bewertungen
Artikelnummer: H301861
Lieferzeit: wird bei Bestellung bekannt gegeben
Wir benutzen Cookies nur für interne Zwecke um den Webshop zu verbessern. Ist das in Ordnung? Ja Nein Für weitere Informationen beachten Sie bitte unsere Datenschutzerklärung. »